产品描述
F-tone的FTAF-M1303-02I-GC系列收发器模块是低速通信网络的完美解决方案。该模块完全符合小型化多源协议(MSA)定义的2 X5标准包。这些收发器模块为系统设计者提供了实现一系列 SONET/OC-3、 SDH/STM-1的电信产品。
产品特点
● FP激光二极管发射器
● 3. 3V电源
● LC双工光接口
● CML差分输入/输出和(LV)TTL信号检测
● 符合IEC 825国际激光器安全标准第1类
● 工作环境温度范围(标准: 0至+70℃) 或 (工业: -40°C至+85°C)
应用
● ATM 155Mbps
● SONET/SDH
● 100Mbps以太网设备
● 其他光学链路
绝对最大额定值
超出表1中列出的绝对条件操作收发器将降低或损坏产品。这并不意味着产品可以在推荐的操作环境之 外工作,如果超出推荐的操作环境(参见表2) ,可能会降低设备的可靠性和寿命。
表1-绝对最大值条件
|
参数 |
符号 |
最小值 |
最大值 |
单位 |
注释 |
|
储存温度 |
TST |
-40 |
+85 |
℃ |
- |
|
相对湿度 |
RH |
5 |
95 |
% |
- |
|
电源电压 |
VCC |
0 |
+3.6 |
V |
- |
表2-推荐的操作环境和电气特性
|
参数 |
符号 |
最小值 |
典型值 |
最大值 |
单位 |
注释 |
|
电源电压 |
VCC |
+3.1 |
+3.3 |
+3.5 |
V |
- |
|
供电电流 |
Icc |
- |
- |
260 |
mA |
- |
|
工作环境温度 |
TOP |
0 |
- |
+70 |
℃ |
1 |
|
-40 |
- |
+85 |
2 |
|||
|
数据速率 |
B |
155 |
Mbps |
- |
||
|
焊接温度 |
- |
- |
260 |
℃ |
3 |
|
|
焊接持续时间 |
- |
- |
10 |
Sec |
3 |
注
1:标准水平
2.工业水平
3、不推荐波峰焊。
光学参数
表3-FTAF-M1303-02XX收发器光学特性
(环境工作温度Ta=+25±5°C ,VCC = 3.3±0 .2V)
|
参数 |
符号 |
最小值 |
典型值 |
最大值 |
单位 |
注释 |
|
|
发射端 |
|||||||
|
数据速率 |
B |
155 |
Mbps |
- |
|||
|
输出中心波长 |
λC |
1260 |
1310 |
1360 |
nm |
- |
|
|
输出光谱宽度(RMS) |
λ |
- |
4.0 |
nm |
- |
||
|
平均光输出功率 |
Po |
-20 |
- |
-10 |
dBm |
1,2 |
|
|
消光比 |
ER |
10 |
- |
- |
dB |
- |
|
|
光学输出眼图:符合ITU-T G.957标准 |
1,2 |
||||||
|
接收端 |
|||||||
|
接收器灵敏度 |
S |
- |
- |
-32 |
dBm |
1,2 |
|
|
最大输入功率 |
PMAX |
-3 |
- |
- |
dBm |
1,2 |
|
|
操作中心波长 |
λc |
1310 |
nm |
- |
|||
|
信号检测 |
告警 |
PD |
-40 |
- |
- |
dBm |
1,2 |
|
解告警 |
PA |
- |
- |
-32 |
dBm |
1,2 |
|
|
信号检测-迟滞 |
PHYS |
0.5 |
- |
- |
dB |
- |
|
注1:光功率被导入到62.5/125微米的MMF中。
注2:使用PRBS 223-1测试模式,速度为155Mbps。
电气参数
表15-收发器电气特性
(环境工作温度Ta=+25±5°C ,V = 3.3±0 .2V)
|
参数 |
符号 |
最小值 |
典型值 |
最大值 |
单位 |
注释 |
|
电源电压 |
VCC |
+3.1 |
+3.3 |
+3.5 |
V |
- |
|
供电电流 |
ICC |
- |
- |
260 |
mA |
- |
|
发射端 |
||||||
|
差分输入电压 |
Vin |
200 |
- |
2000 |
mVP-P |
- |
|
输入差分阻抗 |
Zin |
90 |
100 |
110 |
Ω |
- |
|
数据输入电压-低 |
VIL |
VCC -1.81 |
- |
VCC -1.48 |
V |
- |
|
数据输入电压-高 |
VIH |
VCC -1.17 |
- |
VCC -0.88 |
V |
- |
|
接收端 |
||||||
|
差分输出电压 |
VOUT |
400 |
- |
1000 |
mVP-P |
- |
|
数据输出电压-低 |
VOL |
VCC -1.83 |
- |
VCC -1.56 |
V |
- |
|
数据输出电压-高 |
VOH |
VCC -1.09 |
- |
VCC -0.88 |
V |
- |
|
SD输出电压-低 |
VOL |
0 |
- |
0.8 |
V |
1 |
表16—引脚功能定义
|
Pin |
名称 |
描述 |
注释 |
|
1 |
VEER |
接收器地面 |
- |
|
2 |
VCCR |
接收器电源 |
- |
|
3 |
SD |
信号检测(LV)TTL输出 |
1 |
|
4 |
RD- |
输入。接收数据输出 |
- |
|
5 |
RD+ |
接收数据输出 |
- |
|
6 |
VCCT |
发送器电源 |
- |
|
7 |
VEET |
发射机接地 |
- |
|
8 |
TDIS |
发射器禁用 |
2 |
|
9 |
TD+ |
传输数据输入正 |
- |
|
10 |
TD- |
传输数据输入负 |
- |
注1:( LV)TTL-接收器的正常光输入电平导致逻辑“0”输出,上拉10kΩ电阻。
注2:此输入用于关闭发射器的光学输出。当逻辑值为“0”时,发射器开启。
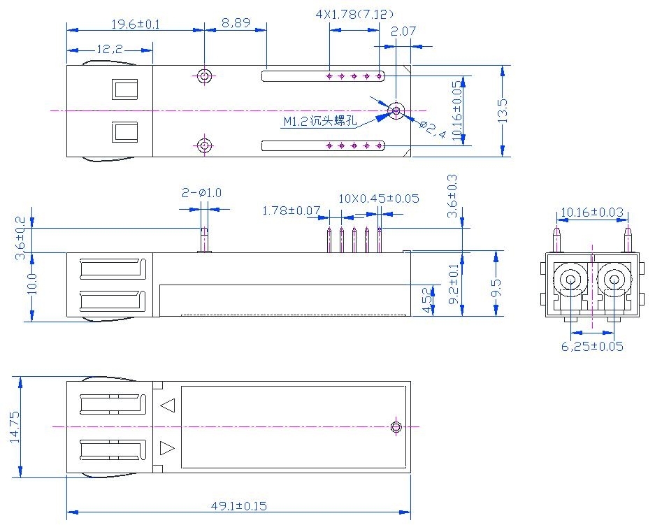
模块结构图
北亿纤通 | F-tone Networks
企业邮箱:该邮件地址已受到反垃圾邮件插件保护。要显示它需要在浏览器中启用 JavaScript。
企业手机:19081343401
企业电话:028-85255257
企业传真:028-85977702
注:本产品有全国产化型号可选
本产品为FT-VW系列SFF光模块,仅展示部分参数,如有需要,请联系我们。
Important Notice
Performance figures, data and any illustrative material provided in this data sheet are typical and must be specifically confirmed in writing by F-tone Networks before they become applicable to any particular order or contract. In accordance with the F-tone Networks policy of continuous improvement specifications may change without notice.
The publication of information in this data sheet does not imply freedom from patent or other protective rights of F-tone Networks or others. rther details are available from any F-tone Networks sales representative.
