产品介绍
FTBR-1412××/2412××系列芯片是一款通用的工业控制数据链路收发器件,配合850nm 光纤使用,适用于低功耗、低成本的光互联方案。FTBR-1412××/2412××与AVAGO的HFBR-1412/2412系列产品完全兼容,速率支持DC-5MBd,能够帮助用户解决电压隔离和绝缘,抗EMl/RFl干扰及数据安全等问题。
FTBR-1412××为发射器,由一颗峰值波长为850nm的LED芯片封装而成。FTBR-2412××为接收器,由一颗单一接收芯片封装而成,接收芯片主要由光电二极管、跨阻放大器、输出MOSFET管构成。FTBR-2412××在接收到光信号后,将其转换成电信号,并最终整形为TTL 信号输出。接收芯片直接集成光电二极管,在有效降低成本的同时提高了整个器件的可靠性。为了提高接收器对电源噪声的抑制能力,接收芯片内部集成了独特的电源供电模式。为了提高接收器输出脉宽的稳定性,接收芯片设计了自动脉宽校准电路。
产品特点
● 数据传输速率:DC-5MBd
● 传输距离典型值:2500米
● 能较好的抑制电源噪声
● 输出波形脉宽稳定
● 满足工业级温度范围:-40℃至 85℃
● 符合 RoHS 标准
● 适配多种直径光纤
● ST接头带螺纹可选
产品应用
● 工厂自动化
● 局域网络
● 音视频应用/游戏应用
● 工业网络和现场总线
ST接口外形尺寸图(FTBR-1412Z/2412Z)

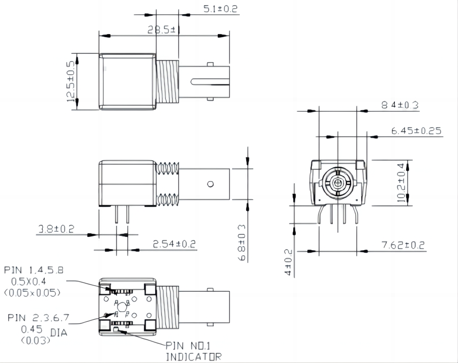
带螺纹的ST接口外形尺寸图(FTBR-1412TZ/2412TZ)

产品型号列表
|
产品型号 |
说明 |
|
FTBR-1412Z |
发射器件,ST接口 |
|
FTBR-2412Z |
接收器件,ST接口 |
|
FTBR-1412TZ |
发射器件,带螺纹的ST接口 |
|
FTBR-2412TZ |
接收器件,带螺纹的ST接口 |
北亿纤通 | F-tone Networks
企业邮箱:该邮件地址已受到反垃圾邮件插件保护。要显示它需要在浏览器中启用 JavaScript。
企业手机:19081343401
企业电话:028-85255257
企业传真:028-85977702
注:本产品有全国产化型号可选
Important Notice
Performance figures, data and any illustrative material provided in this data sheet are typical and must be specifically confirmed in writing by F-tone Networks before they become applicable to any particular order or contract. In accordance with the F-tone Networks policy of continuous improvement specifications may change without notice.
The publication of information in this data sheet does not imply freedom from patent or other protective rights of F-tone Networks or others. Further details are available from any F-tone Networks sales representative.
