产品特性
- MINISFF封装结构
- 按照速率有0~100M等速率
- 长、短距离传输可选
- DWDM 100G ITU GRID C波段波长可选
- 光发射、光接收模块配合后的峰峰抖动小于60ps
- LVDS输入输出
- 工业级温度范围
- 符合RoHS
产品应用
- RS232/485及其它低速总线透传
- 电力控制信号传输
订购信息
|
型号 |
波长(nm) |
速率 |
传数距离(Km) |
数字诊断 |
x |
-xx |
|
FTMF-DxxLC-10x-xx |
100GHZ DWDM |
0~100M |
10 |
N |
空:商业级 I:工业级 |
GC:全国产 空:非全国产 |
|
FTMF-C55LA-02x-xx |
1550CWDM |
0~20 |
2 |
N |
||
|
FTMF-DxxLB-80x-xx |
100GHZ DWDM |
0~50M |
80 |
/ |
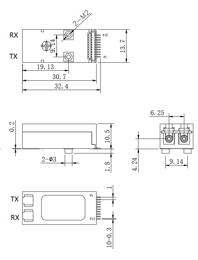
外形尺寸(单位mm)

备注: 未注公差:± 0.25mm
北亿纤通 | F-tone Networks
企业邮箱:该邮件地址已受到反垃圾邮件插件保护。要显示它需要在浏览器中启用 JavaScript。
企业手机:19081343401
企业电话:028-85255257
企业传真:028-85977702
注:本产品有全国产化型号可选
Important Notice
Performance figures, data and any illustrative material provided in this data sheet are typical and must be specifically confirmed in writing by F-tone Networks before they become applicable to any particular order or contract. In accordance with the F-tone Networks policy of continuous improvement specifications may change without notice.
The publication of information in this data sheet does not imply freedom from patent or other protective rights of F-tone Networks or others. rther details are available from any F-tone Networks sales representative.
